Optimize Fuel Usage and Streamline Your Plant's Financial Data

With the EtaPRO Fuel Demand Model & Plant Accounting Settlement System

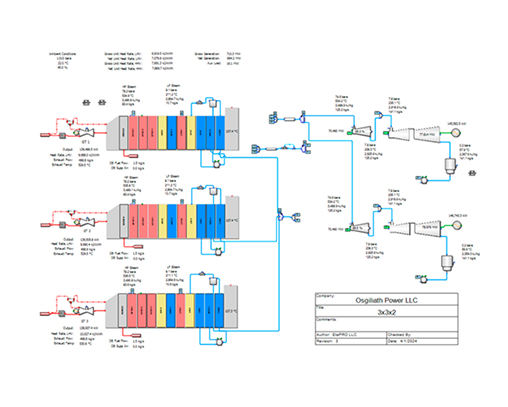
EtaPRO FDM and PASS systems

The EtaPRO FDM and PASS systems are a powerful combination of technologies to improve fuel usage, reduce costs, and streamline plant financial systems.

Unlike generic technologies, the EtaPRO FDM and PASS systems are:

Fully integrated and designed from two decades of experience in power generation.

Regularly enhanced with the latest security, IIoT, digital innovations, and AI.

Backed by a dedicated team of software and industrial engineers.


Improve Your Plant's Financial Performance

Required
Required
Required
Required
Required

Our FDMs provide an accurate reflection of the plant's usage and output, offering a secure, user friendly interface, with the support infrastructure to ensure these systems operate flawlessly throughout the long life of the Power Purchase Agreement.

Together, these innovative tools provide a stable platform for the generation of accurate invoicing, safeguarding your plant's financial future.

Improve Your Plant's Performance 
with EtaPRO Fuel Demand Model (FDM)

The EtaPRO FDM system accurately models the plant fuel demand and heat rate in real time. The FDM Virtual Plant model provides a highly detailed thermodynamic mass and energy balance of your plant that aligns with contract commitments and predicts hourly contract parameters.

Combined with the PASS system, the FDM offers a streamlined method for generating invoices, ensures transparency for all parties, and is easy to review and adjust.

Automate and Simplify
Accounting with PASS

The Plant Accounting & Settlement System (PASS) ensures accurate, compliant invoicing without the hassle. Instead of manual data transfers and time-consuming calculations, PASS automates the process. PASS ensures accurate billing for energy and water delivered, settlement of fuel costs, and more.

Automated Accuracy

Continuously validate settlement meter readings so your energy and water output calculations are always correct.


Smart Error Handling

Ensure anomalies like non-incrementing meters or offline equipment are flagged and managed.


Complete Data Control

All user inputs are securely stored for the entire contract term.


Simplified User Experience

Entering outage details is quick and intuitive. Generate invoices and more with precision.


Put Smarter Plant Management to Work

Whether your facility produces electrical energy, water, or both, the EtaPRO® FDM & PASS System adapts to complex contract scenarios supporting PPA, WPA, and PWPA agreements with precision, transparency, and confidence in every transaction.